水性防水涂料认证-绿色产品认证-GB/T35609
发布时间:2021-04-02

公司名称:广州市安普检测技术服务有限公司www.gzaptest.com

一、水性防水涂料认证-绿色产品认证-GB/T35609标准

1.绿色产品评价 防水与密封材料 GB35609-2017

2.绿色产品评价通则 GB33761-2017

二、水性防水涂料认证-绿色产品认证-GB/T35609使用范围:

GB35609标准规定了绿色建筑防水与密封材料的术语和定义、评价要求、评价方法。

GB35609标准适用于建筑防水卷材防水涂料建筑密封胶的绿色产品评价。

三、术语与定义

3.1建筑防水涂料  building waterproofcoating

涂覆于基层上的液态材料,能形成一定厚度连续防水层的柔性防水材料。

四、产品分类:

4 . 1 . 1 参评绿色产品的建筑防水材料,分为建筑防水卷材防水涂料两大类。 其中防水涂料分为水性防水涂料髙固含量型防水涂料。 

4. 2. 2产品基本要求

4. 2. 2. 1对于参评绿色产品的防水与密封材料,其质量水平需满足现行产品标准的全部要求。 若相关现行国家和行业产品标准中有等级/级别区分,应达到其中最高的等级/级别。 详见附录 A 。

4. 2. 2. 2对于有外露使用要求的防水材料产品,其燃烧性能应符合 GB 8624 规定的 B2(E) 级要求。

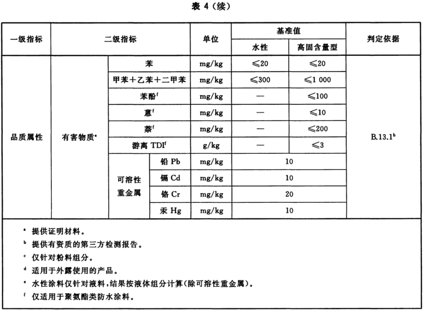
4. 2. 2. 3产品中不得人为添加的有害物质见表1 。

4 . 3 评价指标要求

4 . 3 . 1 防水涂料评价指标应符合表1规定。