公司名称:广州市安普检测技术服务有限公司www.gzaptest.com
一、防水与密封材料认证-绿色产品认证-GB/T35609标准
1.绿色产品评价 防水与密封材料 GB35609-2017
2.绿色产品评价通则 GB33761-2017
二、防水与密封材料认证-绿色产品认证-GB/T35609使用范围:
GB35609标准规定了绿色建筑防水与密封材料的术语和定义、评价要求、评价方法。
GB35609标准适用于建筑防水卷材、防水涂料和密封胶的绿色产品评价。
三、术语与定义
3.1
建筑防水卷材 building waterproof sheet
可卷曲成卷状的柔性防水材料。
[GB/T 18378—2008 ,定义 3.1]
GB/T 35609—2017
3.2
建筑防水涂料 building waterproofcoating
涂覆于基层上的液态材料,能形成一定厚度连续防水层的柔性防水材料。
3.3
建筑密封胶 building sealant
建筑密封裔
以非成型状态嵌入接缝中,固化后通过与建筑接缝表面粘结而密封接缝的材料。
[ GB/T 14682—2006,定义 2.1.3]
四、产品分类:
4 . 1 . 1 参评绿色产品的建筑防水材料,分为防水卷材和防水涂料两大类。 其中 ,防水卷材分为沥青基防水卷材和高分子防水卷材,防水涂料分为水性防水涂料和髙固含量型防水涂料。
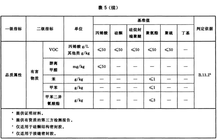
4. 1 . 2参评绿色产品的建筑密封胶,按主要成分分为: 桂酮(SR) 、硅烷封端聚酿( MS) 、聚氨酯( PU ) 、聚硫(PS) 、丙烯酸( AC ) 、丁基( BU ) 。
4. 2. 2产品基本要求
4. 2. 2. 1对于参评绿色产品的防水与密封材料,其质量水平需满足现行产品标准的全部要求。 若相关
现行国家和行业产品标准中有等级/级别区分,应达到其中最高的等级/级别。 详见附录 A 。
4. 2. 2. 2对于有外露使用要求的防水材料产品,其燃烧性能应符合 GB 8624 规定的 B2(E) 级要求。
4. 2. 2. 3产品中不得人为添加的有害物质见表1 。

4 . 3 评价指标要求
4.3.1 沥青基防水卷材评价指标应符合表2 规定。

4. 3 . 2高分子防水卷材评价指标应符合表3 规定。

4 . 3 . 3 防水涂料评价指标应符合表4 规定。


4 . 3 . 4密封胶评价指标应符合表 5 规定。

